-
Počet příspěvků
1 894 -
Registrace
-
Poslední návštěva
Typ obsahu
Profil
Fórum
Kalendář
Vše od uživatele Holy
-
Lidi mám trabli. Minulej tejden jsem si nechal v autorizáku nastavit xenony, protože po zásahu blonďaté pipiny a novém usazení pravého reflektoru do karoserie mi svítily do koruny stromů. V servisu to píchli na počítač, nastavili a všechno bylo OK, svítilo to jak mělo. Po nastartování se zhouply směrem dolů, pak zpátky na nastavenou úroveň, prostě pohoda. Dneska ráno jsem zjistil, že jsou spadlý přímo před nárazník, po startu se jakoby zavrní, mají snahu jít dolů, ale není kam, tak zůstanou dole. Nesetkali jste se s tím? Co můžu čekat?
-
Ta moje Octa je snad začarovaná. To takhle cpu bágly do kufru před odjezdem na dovču a koukám, že mi opět chybí pravá krytka ostřikovače xenonů. Nas... mě to, ale co, přece si kvůli čtyřem stovkám a nějakýmu kreténovi, nebudu kazit dovču.... Táhnu další kufr k autu, přijde ke mě paní od vedle a povídá, že krytku mám u sousedů, že jak mi ta slečna nabourala do auta, tak krytka upadla. Nabourala? Jdu se podívat a vidím, že je světlo vražený až za lem blatníku, prasklej lak na nárazníku.... To už jsem neustál a fakt sem se nas.... Paní to viděla, říkala, že to byla blondýna, v tmavěšedým Renaultu ale RZ si nestačila zapsat... Tak jsem volal poliše, všechno jsme sepsali, vyfotili, včetně svědectví, já pak hodinu před barákem rovnal světlo, aby jsme mohli odjet. No a když jsme se vrátili z dovolený, zjistili jsme, že nám odešla lednice.... Když se daří....
-
Mě to taky sežere tak 1L na 10.000. Mám najeto 150k. Při startu si lehce dýmne, ale jen když je zima a je studená. Když jí teplou prošlápnu na místě tak černě odfoukne. Když jí dám do kopce pod vocas a jede za mnou auto tak v zrcátkách vidím mlhu. Sice ne hustou tak, že by se dala krájet, ale je tam. Dneska jsem si všim, že mi kolem 2000 ot při zátahu jakoby zapískne "cosi". Vypadá to na turbo, ale při 140k bylo na čištění regulace, kontrolovaný a bylo OK, tak uvidím, snad se to nezačne sypat. Teď jsem dával nový kotouče, destičky, zadní krycí plechy, další investice před dovčou by byly nemilé.
-
Tak STK úplně v pohodě. Technologie kráčí kupředu sedmimílovými kroky - emise mi dělali při vpnutým motoru :lool: Na STK nic nenašli, jen mi mírně stáhli mlhovky, protože svítily moc nahoru. Na brzdě to bylo taky v poho, kola jdou souměrně, do tolerance se vejdou s velikou rezervou, stejně tak ručka. Takže mám zase na dva roky klid.
-
Tak jsme dneska udělali ten zadek. V dílně, na zvedáku a za hodinu bylo hotovo. Nakonec jsme nesundávali náboje. Fikli jsme na těch krytech tu nejslabší přepážku a nasunuli za náboj. Všechno drží a to jak to brzdí uvidíme zítra na STK
-
Kvůli těm plechům. Když už to budeme dělat, uděláme to i s kotoučema a destičkama
-
Hele zadní budem dělat s mechošem asi ve středu. Tam musí dolů i náboj a on má všechny ty forichtungy na zatočení pístku a podobně, tak uvidim
-
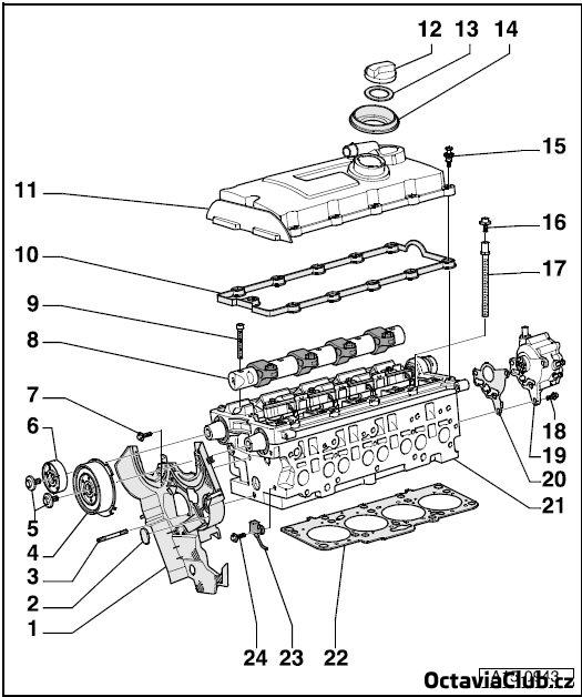
Dneska jsem namontil nový kotouče a desky na předek. Šlo to docela dobře až do okamžiku, kdy měl jít dolu samotnej kotouč. Držel jak přirezlej. Samozřejmě, stahovák žádnej nemám, kladivem se v podběhu blatníku jeden taky moc nerozmáchne... Naštěstí, jeden šroub na těhlici sedí téměř přesně proti závitu na náboji, ale i při utaženým šroubu v náboji je tam 1mm škvírka. Tak jsem si udělal ze čtyř 1mm plechů "sendvič", lupnul ho mezi šrouby a pak už jen utahoval a poklepával kladivem. Šlo to jako po másle. Pak už jen vyčistit drážky pro vedení destiček, vyčistit a namazat válečky, byly jak prase a dost drhly.
-
Myslíš ten bazmek na zatočení pístků do třmenu? To prej má. Nevím, proč ty štíty nedělaj z pozinku, nebo plastu, bylo by to určitě odolnější.
-
A jak to šlo? V poho? Předek si udělám asi sám, tam by žádnej problém bejt neměl, zadek budu dělat s mechošem, kvůli těm plechům musí dolů náboje a prej hrozí, že se při sundávání ložisko rozpadne, tak jsem jedno raději koupil.
-
Dneska mi od Jeldy dorazily komplet brzdy - přední kotouče a destičky, zadní kotouče a destičky, zadní ložisko. A s tím se budou měnit i zadní plechy kryjící kotouče. Takovej malej dárek ke 150.000 km
-
Copak Nova, ta udělá pro sledovanost cokoliv. Když se jim to hodí, může být životu nebezpečný každý schodiště, ze kterýho lze spadnout a přizabít se.
-
Smutný konec jednoho "z nás" Na stránkách českého geocachingu bylo vyhlášené pátrání, hledali ho kamarádi, známí, neznámí, vymýšlelo se, kde by mohl být. Tak smutný konec nečekal nikdo.
-
Tak ho sundám, tam by neměl bejt problém, momenťák mám. Jakou hlavu má ten utahovací šroub náboje? Je to klasická gola, nebo je to nějakej tisícihran, popř něco jinýho?
-
Dneska jsem objednal (obj.38220), tak se těším na balíček
-
Pozdě není, budu objednávat akorát pořád nevim, jestli musí dolů náboj kola, nebo je ta díra tak chytře udělaná, že náboj projde.
-
Škoda Auto muzeum Mladá Boleslav – Program, recenze
Holy odpověděl Holyovi v tématu Škoda Fórum (Auto)
Jasně, dej to tam -
hehe, zrovna jsem to čet na Dieselpower fóru
-
Oslovila mě známá ze Škodovky, s prosbou o propagaci akce kolem nové expozice v mladoboleslavském muzeu. V příloze je leták s podrobnými informacemi. Třeba se mezi námi něco najde. Pokud budete psát, nebo posílat nabídku, dejte pod svůj podpis Octavia Club. Tvorba nove kolekce SA Muzeum.pdf Hledáme jak solitérní kusy, tak běžné předměty, které jste ve voze vozili, nebo jste jimi vůz zkrášlovali a mají svůj příběh, který chcete vyprávět a ideálně jej také doložit dobovou fotografií. Může se zde jednat o nesériové součástky (např. skleněné koncovky řadící páky), o části interiéru, vyrobené na zakázku, o populární doplňky do interiéru (chemlonové dečky na zadní plato, psík s kývací hlavou), ale i o po domácku vyrobené „vychytávky” aneb co dokáže český kutil (facelifting, tunning). Dále hledáme sbírky odznaků/vlaječek s tématikou Škoda, fotografi e osobností s jejich vozem Škoda, kresby, modely vozů včetně hand-made, historické reklamní předměty, předměty z historie rallye-sportu apod. Hledáme také konkrétní tiskoviny
-
Zkus nechat motor klapat na volnoběh a pak pomalinku a plynule přidávej plyn, ale fakt lehounce. Jak tibudou stoupat otáčky a začne se ti chvět motor, je to setrvák.
-
Ať tahám, jak tahám, vytáhnout nemůžu...(mám na mysli anténu, samozřejmě)
-
Ty jo, že bych vymet pavouky? Kdepak ho vlastně mám?
-
