breta
Uživatelé-
Počet příspěvků
274 -
Registrace
-
Poslední návštěva
Vše od uživatele breta
-
Je to červeno-černý drát na svorkovnici T17a na pozici 1, průřez 2,5, jištěný pojistkou S236 na 15A.
-
3 PIN konektor je zapojen takto PIN1 br/bl (hnědý/modrý) stmívání PIN2 ro/sw (červený/černý) plus PIN3 br (hnědý) kostra
-
Prý od 09/2016 platí jakási nová pravidla, podělím se o zkušenosti. Včerejší zkušenost z STK Brno, Královo pole, OCT1, 1,9 TDI PD 74kW, 09/2010: oproti kontrole 09/2014 se kamerami sleduje vjezd, pak technik pořídí asi 6ks foto exteriér i pod kapotou -technik už po mě nechtěl rožíhat světla, blinkry atd, ale všechno dělal sám a sledoval asi na zrcadlech -po kontrole vylepil červenou známku a říkal, že zelenou tam můžu nechat. Ale kdybych ji prý chtěl sundat, nesmím poškrábat podklad nebo tam pak musím nalepit jakousi bílou známku. Proč tam tu zelenou nechal, nevím. Při měření emisí -už se neotevírá kapota, aby se tam připojil na baterku kvůli snímání otáček a snímání teploty -teplota a otáčky se berou z diagnostického konektoru -nejprve se motor točí na 2500ot, pak 2750, pak 3000 a ještě cosi, ale to nevím proč, možná aby se zahřál přes 70 st ??? -pak strčí do výfuku jakési ty bazmeky a třikrát po sobě točí co to dá (asi 4950 ot), na displeji se pak objeví červené STOP, pustí plyn, čeká se asi 5 vteřin a to třikrát po sobě, myslel jsem zase, že mě trefí šlak. Ptal jsem se zase, k čemu to je, když nikdo ty otáčky dlouhodobě nepoužívá, říkal, že to je jakási náhrada za max. zatížení motoru a že kdyby měli brzdu, tak se to tak vysoko neměří ,ale že brzda je drahá - prodávám jak jsem koupil Vysolil jsem přes 1600.- Kč a upaloval pryč. Ale jinak jednání velice vlídné, dokonce je možné se objednat elektronicky
-
Obecně: 1. Použití lineárního stabilizátoru (řada 7805, LM317 a pod.) je krajně nevhodné. Při požadovaném odběru 3A na 5V to bude topit výkonem (12-5)x3=21W!!!! 2.Dnešní DC/DC měniče mají účinnost přes 90% (takže je není potřeba v tomto případě chladit). Měniče, které jsou v odkazech, jsou sice vhodné, ale předražené. Já osobně nakupuji např. na EBAY - poštovné zdarma, cena směšná (cca 80Kč.-). Příklad: (je to prakticky totéž, za poloviční cenu)
-
Když trváš na ručku, tak na ručku. Zkus to nakreslit, nějak ti nerozumím. Nechceš snad PIN6 (přesněji T17a/6 spojený s T17a/8) připojit na spínač ruční brzdy F9 kontakt T2c/1. To by byl malér.
-
Já nevím, jsou řidiči (např. já), kteří ruční brzdu skoro nepoužívají.... No ale kdyby to tak někdo chtěl, šlo by to udělat.
-
Zkusil bych zpoždění (cca 5-10s) řešit nějak takto Pozn. - některá světla pro denní svícení jsou řešena tak, že po připojení napětí svítí cca 10s a pak sama zhasnou. Po nastartování motoru se objeví zvlnění napájecího napětí vlivem dobíjení alternátoru, obvody uvnitř světel na to zareagují a světla se sama zapnou. Po zastavení motoru zase cca 10s svítí a pak sama zhasnou. To umožňuje připojit světla přímo na baterku až "za klíček na linku 15".
-
Buď je to náhodný zkrat vodiče ke klaksonu na kostru nebo je vadný samotný klakson.
-
Pokud vám jde o dobré osvětlení, doporučuji pásky s čipy 5630 EPISTAR, světelný výkon jedné ledky je 30lm, příkon 15W/1m pásky, 60 LED/m. U jiných pásků to je mnohem menší, např. čipy 3528 mají jen 4lm na jednu ledku. Je zde také výběr v teplotě barev (studená bílá, teplá bílá).
-
Už jsem to psal - potřebné info jsou v tématu "Relé klaksonu"
-
Hledej zde téma Relé klaksonu, to ti možná pomůže
-
Jak souvisí zvýšený volnoběh motoru s volnoběžkou alternátoru?
-
Pak dej vědět, jak to dopadlo
-
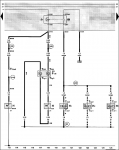
borlan Tak já ti to zkusím trochu více objasnit. Přikládám jednu stránku ze schématu, kde je vidět toto : (pro další propojení je nutno vidět více stránek) Na jeden vývod cívky relé 4/86 jde napětí "přes klíček" (to je ta linka a), na druhý konec 1/85 se připíná kostra přes kontakt H spínače houkačky. Protože na spínacím kontaktu 3/30 je stálé plus, jeho propojení na kontakt 4/86 zajistí, že na cívku relé 4/86 půjde vždy plus (mimo spínací skříňku) a sepnutí spínače houkačky H vždy zajistí spojení 3/30 a 2/87, tedy spuštění houkačky.
-
Myslím že všechny škodovky až do FELICIE včetně relé neměly.
-
Nevím, jak zdatný jsi v elektrice. Jako nejsnadnější se mi jeví podle schema zapojení relé houkačky odpojit přívod ke kontaktu relé 4/86 a pak spojit kontakty relé 4/86 a 3/30.
-
Taky nevím co výrobce k tomu vedlo, např. hlavní světla přes relé nejsou a teče tam 10A a dlouhodobě, a na klakson, který se používá jen krátce, dali relé.
-
ka_r_los Já se prosím znovu zeptám - opravdu je na tom přístroji tachometru nějaký elektrický motorek - jak vypadá, byl by nějaký odkaz, foto? Já měl zato, že je tam ručkový měřící přístroj, který je ovládán procesorem panelu přístrojů J218 na základě signálu z čidla G22. -edit Teď koukám, že jsem v sekci OCT2, já mluvím o OCT1.....
-
ka_r_los O jaký el. motor zde prosím jde?
-
Zapojení L vodiče vlevo (při PE nahoře) je pouze doporučeno. Ostatně většina "roztrojek" strčených do zásuvek vodiče L, N stejně přehazuje! Zřejmě se kolem toho tady rozběhne diskuze.....
-
Pokusím se to trochu objasnit 1. tato dvouvodičová zásuvka v autě je určena POUZE k napájení spotřebičů třídy ochrany dvě - tedy s dvouvodičovým přívodem. 2. zde není žádná fáze či nulák jako v běžné síti - oba vodiče jsou rovnocenné 3. použití jakékoliv redukce je nepřípustné - ne snad z hlediska použití v tomto autě, ale proto, že nějaký blb by tu redukci mohl použít doma v bytě 4. není pravda, že spotřebiče menší než 150W nemohou mít třívodičový přívod (L,N,PE) a naopak, že spotřebiče nad 150W nemohou mít dvouvodičový přívod. 5. každý spotřebič s třívodičovým přívodem (třída ochrany 1) musí mít zapojený ochranný vodič (PE) A pozn. nakonec - dnes už je jedno, kde je v bytové zásuvce zapojen vodič fáze L a nulák N
-
Klid - myšleno tak, že je menší pravděpodobnost vzniku poruchy přepětím na kladném polu. Když je plus kabel nezapojen (je "ve vzduchu"), může tam vzniknout nebezpečné napětí při manipulaci s různými přístroji- nedej bože brnknout si omylem svářecí elektrodou o šrubek přívodu startéru, alternátoru či jinde.
-
Já bych odpojil kladnou svorku z baterky a spojil bych ji s kostrou, měl bych větší klid.
-
Ví někdo, co a proč se na kameře kalibruje, když se vymění sklo? To mi připadá, jako že bych měl jít po výměně skla na oční zkalibrovat oči?
